Sun Microsystems, Inc.   Oracle System Handbook - ISO 7.0 May 2018 Internal/Partner Edition
   Home | Current Systems | Former STK Products | EOL Systems | Components | General Info | Search | Feedback

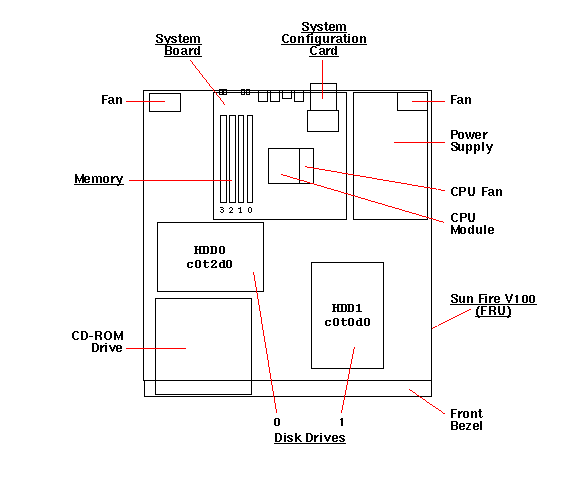
Sun Fire V100 - Service Views

Sun Fire V100 Home Page
Service Views
Front
Top
Rear
Components
Full Components List
Boot PROM
Cables
Card/Reader
Disks
Memory
Power
Rack
Removable Media
System Board
Whole System FRU
System Breakdown
Exploded View
Top View
(Click on underlined text to view components)
Zoom In
Sun Fire V100 Top Callout Memory System Board System Configuration Card Disk Drives CD-ROM Drive Sun Fire V100 (FRU)

  Copyright © 2018 Oracle and/or its affiliates.  All rights reserved.
 Feedback