Sun Microsystems, Inc.   Oracle System Handbook - ISO 7.0 May 2018 Internal/Partner Edition
   Home | Current Systems | Former STK Products | EOL Systems | Components | General Info | Search | Feedback

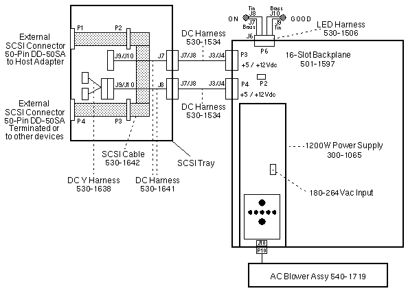
Sun 16-Slot Logic Enclosure Wiring Diagram

Sun-4/390 shipped prior to April 1990


Sun-4/390, Sun-4/490, and SPARCserver 690MP shipped after April 1990



Last updated: December 2, 1996
  Copyright © 2018 Oracle and/or its affiliates.  All rights reserved.
 Feedback