|
Oracle System Handbook - ISO 7.0 May 2018 Internal/Partner Edition | ||
|
|||
Maxtor XT-8760S (669MB)5 1/4" 3600 RPM Single Ended SCSI
| ||||||||||||||||||||||||||||||||||||||||||||||||||||||||
| 370-1319 | 370-1326 | 555-1151 |
| 1098618-B
Black Bezel Green LED 3 1/4" Height |
1098778-B
No Bezel No LED 3 1/4" Height |
FS0019-01- 6 No Bezel No LED w Bracket |


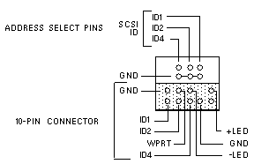
The address is set on the J2 Adapter installed in the J2 Auxiliary connector, the Address Select switch on the External Storage Module, or on Jumpers JP35, JP36, and JP37. Set the address at only one location.
![]() |
Orient Pin-1 of Address Select Switch Cable 530-1659 with ID4 on the J2 Adapter. |
| JUMPER | SETTING | DESCRIPTION |
| 1,2,4 | Out | Target 0 |
| 1 | In | Target 1 |
| 2 | In | Target 2 |
| 1,2 | In | Target 3 |
| JUMPER | SETTING | DESCRIPTION |
| JP35, JP36, JP37 | Out | Target 0 |
| JP35 | In | Target 1 |
| JP36 | In | Target 2 |
| JP35, JP36 | In | Target 3 |
| JUMPER | SETTING | DESCRIPTION |
| JP14 | In | Spindle starts at power on |
| JP38 | Out | No motor delay at power on |
| JP40 | In | Enable parity detection |
| JP41 | In | Drive provides internal terminator power |
| JP34 | Out | Terminator power option |
|
Copyright © 2018 Oracle and/or its affiliates. All rights reserved. Feedback | |||