Sun Microsystems, Inc.   Oracle System Handbook - ISO 7.0 May 2018 Internal/Partner Edition
   Home | Current Systems | Former STK Products | EOL Systems | Components | General Info | Search | Feedback

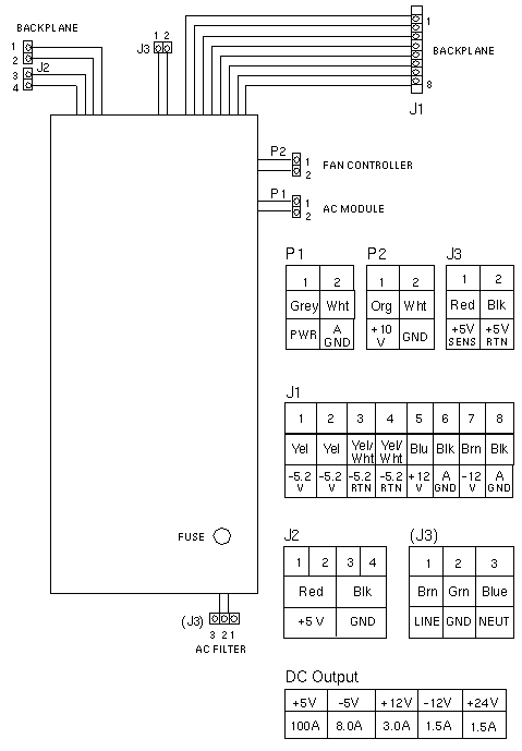
Brown 300-1020
575 Watt Power Supply

Sun-4/150/350
300-1020

Fuse

10 Amps @ 250 Volts


Last updated: December 2, 1996
  Copyright © 2018 Oracle and/or its affiliates.  All rights reserved.
 Feedback