|
Oracle System Handbook - ISO 7.0 May 2018 Internal/Partner Edition | ||
|
|||
SPARCstorage [tm] Library Model 8/140
| ||||||||||||||||||||||||||||||||||||||||||||||||||||||||||||||||||||||||||||||||||||||||||||||||||||||||||||||||||||||
| 6227 | 6228 | 6229 |
|---|---|---|
|
140-280GB 14GB 8 mm Deskside Medium Grey w/o Scanner |
140-280GB 14GB 8 mm Rack-Mount Medium Grey w/o Scanner |
14GB 8 mm Expansion Drive |
| CODE | SUN PART # |
EXABYTE PART # |
DESCRIPTION |
|---|---|---|---|
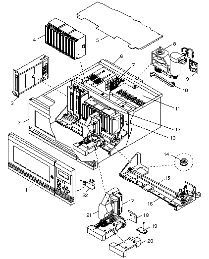
| 1 | 370-2348 | xxxxxx | Horizontal Front Panel Assy (use T10 Torx) |
| 2 2 |
370-3226 370-2346 |
xxxxxx xxxxxx |
Vertical EXB-210 without Tape Drives Horizontal EXB-210 without Tape Drives |
| 3 | 370-3128 None |
xxxxxx xxxxxx |
14GB 8705DX Tape Drive with Carrier Empty Tape Drive Carrier |
| 4 | 370-1884 | 307522 | Empty 10 Tape Magazine (×4)
|
| 5 | None | 110181 | Service Access Cover (use T10 Torx) |
| 6 | 370-2097 | 311397 | SMCS Card Assembly |
| 7 7 |
370-1897 370-1898 |
306558 306557 |
Operator Panel Cable (use T8 Torx) CHM Cable (use T8 Torx) |
| 8 | 370-1887 | 303247 | Long Axis Motor Module (use T20 Torx) |
| 9 | 370-1893 | 303078 | Motor Distribution Card |
| 10 | 370-1899 | 302906 | Motor Module Belt |
| 11 | 370-1894 | 302396 | 160 Watt Power Supply |
| 12 | None | 302413 | Magazine Mounting Plate (use T15 Torx) |
| 13 | None | 302969 | Fixed Cartridge Holder (use T20 Torx) |
| 14 | 370-1902 | 306561 | Idler Pulley Assembly |
| 15 | 370-1900 | 302902 | Long Axis Belt (use T10 and T20 Torx) |
| 16 | 370-1901 | 306767 | Long Axis Assembly (use T20 Torx) |
| 17 | 370-1874 | 306014 | Barcode Scanner (use T10 and T20 Torx) |
| 18 | None | xxxxxx | Long Axis Belt Clamp (use 90° T10 Torx) |
| 19 | None | xxxxxx | CHM Cable Strain Relief (use T10 Torx) |
| 20 | None | xxxxxx | CHM Cover (use T10 Torx) |
| 21 | 370-1888 | 303339 | Cartridge Handling Mechanism |
| 22 | 370-1892 | 302408 | Front Panel Locking Solenoid (use T15 Torx) |
| NS | 370-2815 | None | Slide Rail Set |
| NS | 370-1903 | 3701903 | SCSI Jumper Plug |
| NS | 370-1962 | xxxxxx | Rack-Mount Retaining Bracket |
| NS | 330-1651 | xxxxxx | Front Panel Key |
| 802-2143 805-1386 |
None None |
SPARCstorage Library Service Manual
SPARCstorage Library Service Manual |
References:
|
Copyright © 2018 Oracle and/or its affiliates. All rights reserved. Feedback | |||