Sun Microsystems, Inc.   Oracle System Handbook - ISO 7.0 May 2018 Internal/Partner Edition
   Home | Current Systems | Former STK Products | EOL Systems | Components | General Info | Search | Feedback

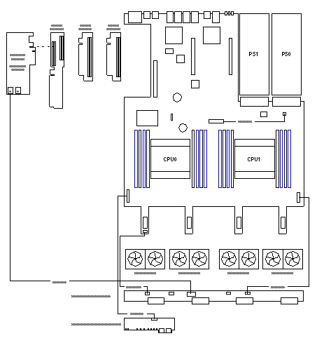
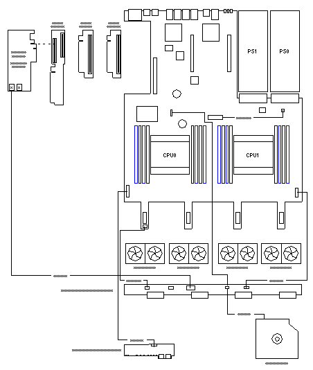
Sun Server X4-2 Wiring Diagrams

4-Slot 2.5" Disk Cage with DVD and HBA
8-Slot 2.5" Disk Cage with HBA
4-Slot 3.5" Disk Cage with HBA



4-Slot 2.5" Disk Cage with DVD and HBA

Zoom




8-Slot 2.5" Disk Cage with HBA

Zoom




4-Slot 3.5" Disk Cage with HBA

Zoom


  Copyright © 2018 Oracle and/or its affiliates.  All rights reserved.
 Feedback