Sun Microsystems, Inc.   Oracle System Handbook - ISO 7.0 May 2018 Internal/Partner Edition
   Home | Current Systems | Former STK Products | EOL Systems | Components | General Info | Search | Feedback

Sun Server X3-2L Wiring Diagrams

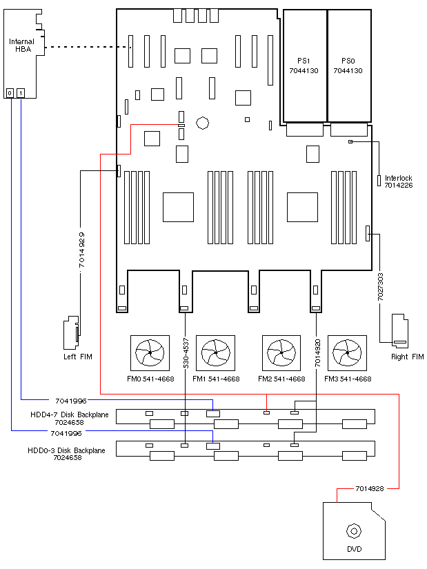
8-Slot 2.5" Disk Cage with DVD and HBA
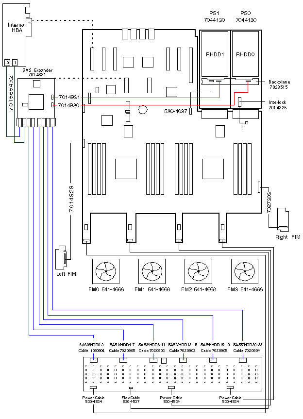
12-Slot 2.5" Disk Cage with HBA and SAS Expander
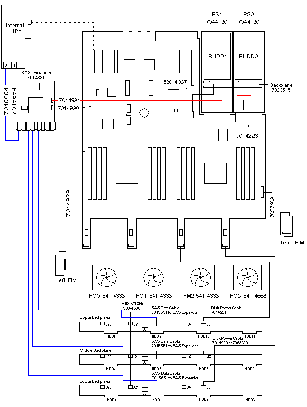
24-Slot 2.5" Disk Cage with HBA and SAS Expander



8-Slot 2.5" Disk Cage with DVD and HBA




12-Slot 2.5" Disk Cage with HBA and SAS Expander




24-Slot 2.5" Disk Cage with HBA and SAS Expander


  Copyright © 2018 Oracle and/or its affiliates.  All rights reserved.
 Feedback