Sun Microsystems, Inc.   Oracle System Handbook - ISO 7.0 May 2018 Internal/Partner Edition
   Home | Current Systems | Former STK Products | EOL Systems | Components | General Info | Search | Feedback

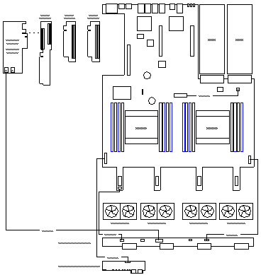
Sun Server X3-2 / Sun Fire X4170 M3 Wiring Diagram

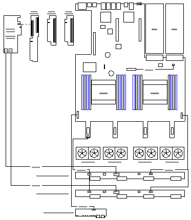
4-Slot 2.5" Disk Cage with DVD and HBA
4-Slot 2.5" Disk Cage with DVD and HBA without EU Directive 2002/95/EC
8-Slot 2.5" Disk Cage with HBA
8-Slot 2.5" Disk Cage with HBA without EU Directive 2002/95/EC
4-Slot 3.5" Disk Cage with HBA
4-Slot 3.5" Disk Cage with HBA without EU Directive 2002/95/EC



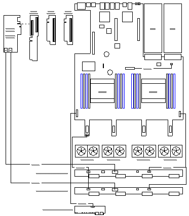
4-Slot 2.5" Disk Cage with DVD and HBA

Zoom




4-Slot 2.5" Disk Cage with DVD and HBA
without EU Directive 2002/95/EC exemptions 7(c)- III and 11(b) that expire 1 January 2013

Zoom




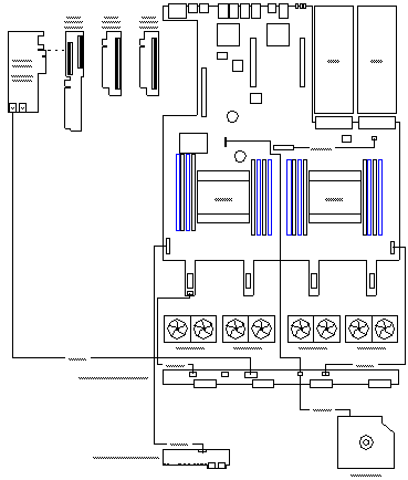
8-Slot 2.5" Disk Cage with HBA

Zoom




8-Slot 2.5" Disk Cage with HBA
without EU Directive 2002/95/EC exemptions 7(c)- III and 11(b) that expire 1 January 2013

Zoom




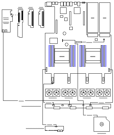
4-Slot 3.5" Disk Cage with HBA

Zoom




4-Slot 3.5" Disk Cage with HBA
without EU Directive 2002/95/EC exemptions 7(c)- III and 11(b) that expire 1 January 2013

Zoom


  Copyright © 2018 Oracle and/or its affiliates.  All rights reserved.
 Feedback