Sun Microsystems, Inc.   Oracle System Handbook - ISO 7.0 May 2018 Internal/Partner Edition
   Home | Current Systems | Former STK Products | EOL Systems | Components | General Info | Search | Feedback

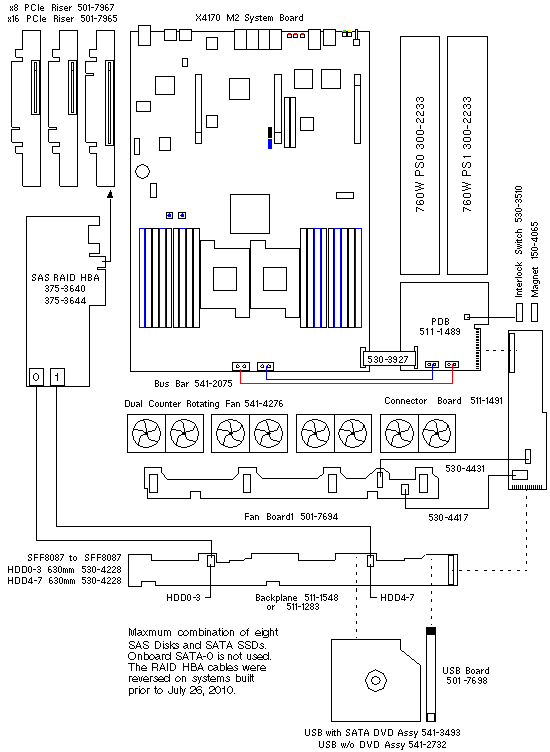
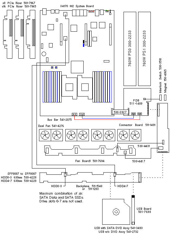
Sun Fire X4170 M2 Wiring Diagrams

SAS Disk Drive/SATA SSD/RAID HBA
SATA Disk Drive/SATA SSD



Sun Fire X4170 M2 Wiring Diagram

SAS Disk Drive/SATA SSD/RAID HBA Configuration




Sun Fire X4170 M2 Wiring Diagram

SATA Disk Drive/SATA SSD Configuration


  Copyright © 2018 Oracle and/or its affiliates.  All rights reserved.
 Feedback