Sun Microsystems, Inc.   Oracle System Handbook - ISO 7.0 May 2018 Internal/Partner Edition
   Home | Current Systems | Former STK Products | EOL Systems | Components | General Info | Search | Feedback

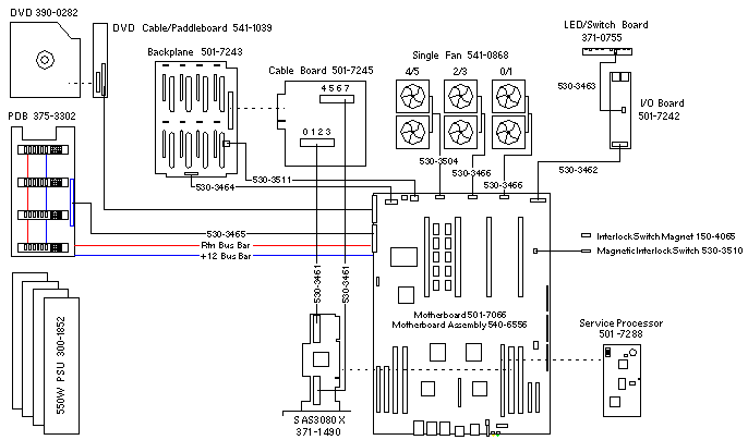
Sun Fire V445 Wiring Diagram

with SAS Cable Board 501-7245 (PCI-X)




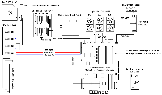
Sun Fire V445 Wiring Diagram

with SAS Cable Board 501-7244 (PCIe)


  Copyright © 2018 Oracle and/or its affiliates.  All rights reserved.
 Feedback