Sun Microsystems, Inc.   Oracle System Handbook - ISO 7.0 May 2018 Internal/Partner Edition
   Home | Current Systems | Former STK Products | EOL Systems | Components | General Info | Search | Feedback

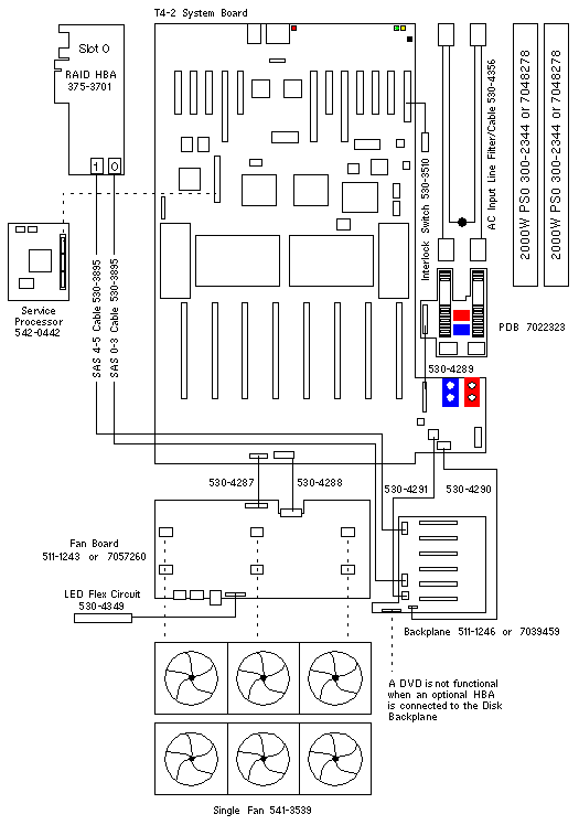
SPARC T4-2 Wiring Diagram

Onboard SAS Controller Configuration
Onboard SAS Controller Configuration without EU Directive 2002/95/EC
RAID HBA Configuration
RAID HBA Configuration without EU Directive 2002/95/EC

Onboard SAS Controller Configuration

BR>



Onboard SAS Controller Configuration




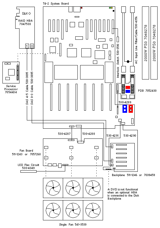
SPARC T4-2 Wiring Diagram

RAID HBA Configuration




RAID HBA Configuration


  Copyright © 2018 Oracle and/or its affiliates.  All rights reserved.
 Feedback