Sun Microsystems, Inc.   Oracle System Handbook - ISO 7.0 May 2018 Internal/Partner Edition
   Home | Current Systems | Former STK Products | EOL Systems | Components | General Info | Search | Feedback

Sun SPARC Enterprise T5140 Wiring Diagram

4-Slot SAS configuration
8-Slot SAS configuration



4-Slot SAS Disk Drive Configuration




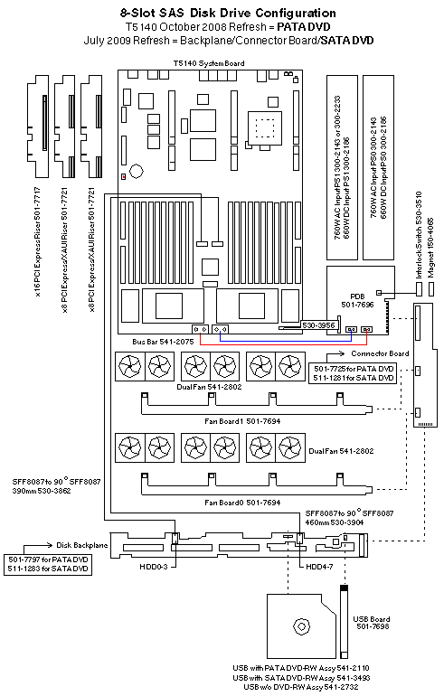
8-Slot SAS Disk Drive Configuration


  Copyright © 2018 Oracle and/or its affiliates.  All rights reserved.
 Feedback