Sun Microsystems, Inc.   Oracle System Handbook - ISO 7.0 May 2018 Internal/Partner Edition
   Home | Current Systems | Former STK Products | EOL Systems | Components | General Info | Search | Feedback

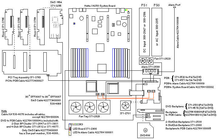
Netra X4250 Wiring Diagram


  Copyright © 2018 Oracle and/or its affiliates.  All rights reserved.
 Feedback