Sun Microsystems, Inc.   Oracle System Handbook - ISO 7.0 May 2018 Internal/Partner Edition
   Home | Current Systems | Former STK Products | EOL Systems | Components | General Info | Search | Feedback




501-7588 501-7638
FAB 270-7047
X4600
FAB 270-7047
X4600 M2

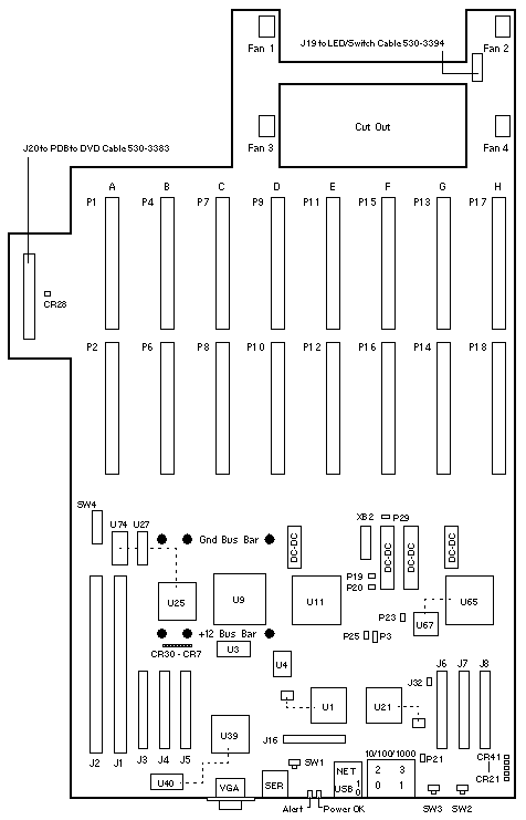
Jumpers

LOCATION PINS SETTING DESCRIPTION
J32 1-2 Out Interlock Switch Disable (default)
P19 1-2 Out Force BIOS Recovery (default)
P20 1-2 Out Clear Password (default)
P21 1-2 Out Hard Reset (default)
P23 1-2 Out Kill Switch Disable (default)
P25 1-2 Out Clear CMOS (default)
P3 1-3 Out Unknown (default)

Switches

LOCATION DESCRIPTION
SW1 Locate Button
SW2 Reset Button
SW3 Non Maskable Interrupt Dump Button
SW4 Top Cover Interlock Switch

LEDs

LOCATION DESCRIPTION
CR41
CR19
CR34
CR35
CR21
-12V Power OK
+5V Power OK
+12V Power OK
+3.3V Power OK
+3.3V Aux Power OK
CR28 DVD Activity
CR7
CR9
CR10
CR11
CR31
CR8
CR6
CR29
CR30
SAS1064 Heartbeat
SAS1064 Fault 0
SAS1064 Fault 1
SAS1064 Fault 2
SAS1064 Fault 3
SAS1064 Activity 0
SAS1064 Activity 1
SAS1064 Activity 2
SAS1064 Activity 3

Component Locations

LOCATION DESCRIPTION
J2 100MHZ PCI-X Slot 0 (Silkscreened PCIX Slot 1)
J1 100MHZ PCI-X Slot 1 (Silkscreened PCIX Slot 2)
J3 8-Lane PCI Express Slot 2 (Silkscreened PCIE Slot 3)
J4 8-Lane PCI Express Slot 3 (Silkscreened PCIE Slot 4)
J5 4-Lane PCI Express Slot 4 (Silkscreened PCIE Slot 5)
J6 8-Lane PCI Express Slot 5 (Silkscreened PCIE Slot 6)
J7 8-Lane PCI Express Slot 6 (Silkscreened PCIE Slot 7)
J8 4-Lane PCI Express Slot 7 (Silkscreened PCIE Slot 8)
U1 Dual Port Ethernet Controller 0
U3 525-2247 BIOS
U4 Super I/O
U9 AMD 8132 PCI-X Hypertransport Tunnel
U11 nVIDIA nForce 2200 PCI Express Southbridge
U21 Dual Port Ethernet Controller 1
U25 LSI SAS1064
U27 LSI SAS1064 NVSRAM
U39 ATI Rage XL
U40 Graphics Controller SDRAM
U65 nVIDIA nForce 2050 PCI Express Bridge
U67 525-2245 CPLD Firmware
U74 525-2249 SAS1064 Firmware
XB2 CR2032 Battery

Sun Fire X4600 Codename: Galaxy 4U
Sun Fire X4600 M2 Codename: Galaxy 4F

Notes

  1. The minimum Solaris operating system is Solaris 10 01/06 x64.
  2. Mixing CPU speeds or mixing single-core and dual-core CPUs is not supported.
  3. The SAS1064 shares the 100MHz PCI-X bus with PCI-X Slots 0 and 1.
    Installing 33MHz or 66MHz cards slows the bus and may affect internal disk performance.

Motherboard Notes

  1. Motherboard 501-7588 includes X4600 BIOS supporting Opteron 880 and 885.
  2. Motherboard 501-7638 includes X4600 M2 BIOS supporting Opteron 8000 Series.
  3. Motherboards 501-7588 and 501-7638 support X4600 BIOS or X4600 M2 BIOS.
  4. BIOS downloads are available at X4600 SW 1.5 and X4600 M2 Firmware Downloads.

CPU/Memory Module Installation Notes

  1. Two modules (X4600 M2 only):
    Install in A and B. All other slots are empty.
    Slot A is CPU 0 and B is CPU 1.
  2. Four modules:
    Install in A, D, E, and H. Install a CPU Filler board in all other slots.
    Slot A is CPU 0, D is CPU 1, E is CPU 2, and H is CPU 3.
  3. Six modules (X4600 M2 only):
    Install in A, B, D, E, F, and H. Install a CPU Filler board in all other slots.
    Slot A is CPU 0, B is CPU 1, D is CPU 2, E is CPU 3, F is CPU 4, and H is CPU 5.
  4. Eight modules:
    Install in A, B, C, D, E, F, G, and H.
    Slot A is CPU 0, B is CPU 2, C is CPU 1, D is CPU 3, E is CPU 4, F is CPU 5, G is CPU 6, and H is CPU 7.

References

  1. Sun Fire X4600 Server Documentation.
  2. Sun Fire X4600 M2 Server Documentation.

  Copyright © 2018 Oracle and/or its affiliates.  All rights reserved.
 Feedback