Sun Microsystems, Inc.   Oracle System Handbook - ISO 7.0 May 2018 Internal/Partner Edition
   Home | Current Systems | Former STK Products | EOL Systems | Components | General Info | Search | Feedback





7040990 7039830
System Board
FAB 7040991
Assembly/FRU
7040990 + Tray
Tray 350-1730
7046334 7049382
System Board
FAB 7040991
Assembly/FRU
7046334 + Tray
Tray 350-1730


Notes

  1. The minimum Solaris operating system is Solaris 10 8/11 and Solaris 11 11/11.
  2. A T20 Torx bit is required to remove and replace the Fan Bulkhead.

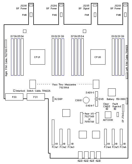
Memory Installation Notes

  1. In dual-CPU systems, install DIMM filler panel 350-1288 in any DIMM sockets that are not occupied by a DIMM.
    In single-CPU systems, DIMM filler panels are not required in empty sockets associated with processor P0,
    but socket D7 for processor P1 requires a filler panel to support proper air flow for cooling.
  2. Install DIMMs in the Blue slots first in slots D0, D2, D5, and D7.
  3. Then install DIMMs in the White sockets in slots D1, D3, D4, and D6.
  4. Install the highest capacity DIMMs first. Install the highest rank DIMMs first.
  5. When Dual Rank and Quad Rank DIMMs are installed in the same channel,
    install the Quad Rank DIMMs in the slots farthest from the CPU.
  6. Do not mix Load Reduced DIMMs with Registered DIMMs.

Thermal Grease Notes

  1. Heatsink 7020774 is pre-greased with ShinEtsu X23-7783D.
  2. The System Board FRU includes two 250-1802 Cleaning Wipes, two 310-0065
    Shin-Etsu X23-7783D Thermal Grease Syringes, and CPU tool 7026168.

References

  1. Sun Server X3-2L Documentation (formerly Sun Fire X4270 M3).

  Copyright © 2018 Oracle and/or its affiliates.  All rights reserved.
 Feedback