Sun Microsystems, Inc.   Oracle System Handbook - ISO 7.0 May 2018 Internal/Partner Edition
   Home | Current Systems | Former STK Products | EOL Systems | Components | General Info | Search | Feedback



Sun Blade 1500 (Silver)

375-3187 375-3188
0MB 1.503GHz FRU 0MB w/o USIIIi

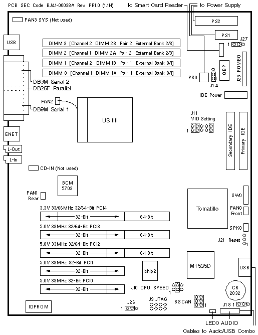
PCI Slot Numbering

PROBE SLOT BUS DEVICE TREE
1 4 B pci@1f,70000/*@3,*
2 0 A pci@1e,60000/*@2,*
3 1 A pci@1e,60000/*@3,*
4 2 A pci@1e,60000/*@4,*
5 3 A pci@1e,60000/*@5,*
PCI Bus A shares the address/data bus with on-board ATA-100,
Audio, Flash, I2C, NVRAM, Parallel, RTC, Serial, and USB devices.
PCI Bus B shares the address/data bus with the Ethernet controller.

Jumper Settings

JUMPER PINS SETTING DESCRIPTION
J9 1-8 Out JTAG Scan Header
J10 1-2
3-4
5-6
Out
Out
In
1.503GHz CONFIG[2:0] Bit 0 (101)
1.503GHz CONFIG[2:0] Bit 1 (101)
1.503GHz CONFIG[2:0] Bit 2 (101)
J11 1-2
3-4
9-10
In
In
In
1.4V Core VID[4:0] Bit 4 (00110)
1.4V Core VID[4:0] Bit 3 (00110)
1.4V Core VID[4:0] Bit 0 (00110)
J14 1-2 In Unknown (default)
J18 1-2 In Unknown (default)
J21 1-3 Out Reset header
J26 1-2
2-3
In
In
Normal (default)
Program
J27 1-2 In Unknown (default)

Sun Blade 1500 (Silver) Codename: Taco+

Notes

  1. The minimum operating system is Solaris 8 2/04 or Solaris 9 9/04.
  2. The Sun Blade 1500 serial number is located on the upper left side of the front bezel.
    The serial number and factory configuration label is located on the rear of the chassis.
  3. Connect the Sun Blade 1500 Rear Fan to the FAN1 connector. The Rear Fan will not rotate if connected to the FAN3 connector.

Memory Notes

  1. The Sun Blade 1500 requires DDR-1 SDRAM DIMMs.
  2. The minimum memory is two DIMMs in location DIMM 0&1 or 2&3.

SCSI Notes

  1. The Sun Blade 1500 does not have an onboard SCSI controller.
  2. Host Adapter Options 5010, 6540, and 6541 are not bootable in the Sun Blade 1500 (Silver).

References

  1. Sun Blade 1500 Workstation Documentation.
  2. SME1603MPGA UltraSPARC IIIi Processor Datasheet

  Copyright © 2018 Oracle and/or its affiliates.  All rights reserved.
 Feedback