Sun Microsystems, Inc.   Oracle System Handbook - ISO 7.0 May 2018 Internal/Partner Edition
   Home | Current Systems | Former STK Products | EOL Systems | Components | General Info | Search | Feedback





7046334 7049382 7058152
System Board System Board Subssembly
7046334 + Tray 350-1730
w/o X4-2L BIOS + ILOM
Assembly/FRU
w/ X4-2L BIOS + ILOM


Notes

  1. The minimum Solaris operating system is Solaris 10 1/13 and Solaris 11.1.
  2. A T20 Torx bit is required to remove and replace the Fan Bulkhead.
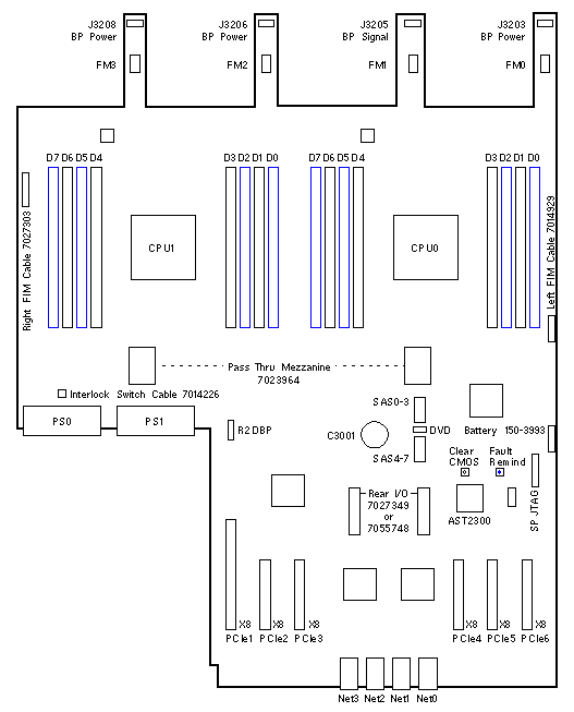
  3. The Sun Server X4-2L system board is a modified Sun Server X3-2L system board with unique BIOS and ILOM.
    Do NOT use an X3-2L system board to replace an X4-2L system board.

Memory Installation Notes

  1. Install DIMM filler panel 350-1288 in P1 Slot D7 in single CPU systems.
  2. Install DIMM filler panel 350-1288 in all empty DIMM sockets in Dual-CPU systems.
  3. Install DIMMs in the Blue slots first in slots D0, D2, D5, and D7.
  4. Then install DIMMs in the White sockets in slots D1, D3, D4, and D6.
  5. Install the highest capacity DIMMs first. Install the highest rank DIMMs first.
  6. When Dual Rank and Quad Rank DIMMs are installed in the same channel,
    install the Quad Rank DIMMs in the slots farthest from the CPU.
  7. Do not mix Load Reduced DIMMs with Registered DIMMs.

Thermal Grease Notes

  1. Heatsink 7020774 is pre-greased with ShinEtsu X23-7783D.
  2. The System Board FRU includes two 250-1802 Cleaning Wipes, two 310-0065
    Shin-Etsu X23-7783D Thermal Grease Syringes, and CPU tool 7026168.
  3. Tool 7026168 was added to the System Board FRU in January 2014.

References

  1. Sun Server X4-2L Documentation.

  Copyright © 2018 Oracle and/or its affiliates.  All rights reserved.
 Feedback