Sun Microsystems, Inc.   Oracle System Handbook - ISO 7.0 May 2018 Internal/Partner Edition
   Home | Current Systems | Former STK Products | EOL Systems | Components | General Info | Search | Feedback



7015858 7025850 7026181
Rear I/O Board System Board w/o Tray
w/o UltraSPARC T4
FAB 7025848 - FRUID 7025850
System Board Assembly
8-Core 2.85GHz
7056230 7056225 7056226
Rear I/O Board System Board w/o Tray
w/o UltraSPARC T4
FAB 7025848 - FRUID 7056225
System Board Assembly
8-Core 2.85GHz
7056230 7088733 7056226
Rear I/O Board System Board w/o Tray
w/o UltraSPARC T4
FAB 7025848 - FRUID 7088733
System Board Assembly
8-Core 2.85GHz
7056230 7078698 7080887
Rear I/O Board System Board w/o Tray
w/o UltraSPARC T4
FAB 7075299 - FRUID 7078698
System Board Assembly
8-Core 2.85GHz

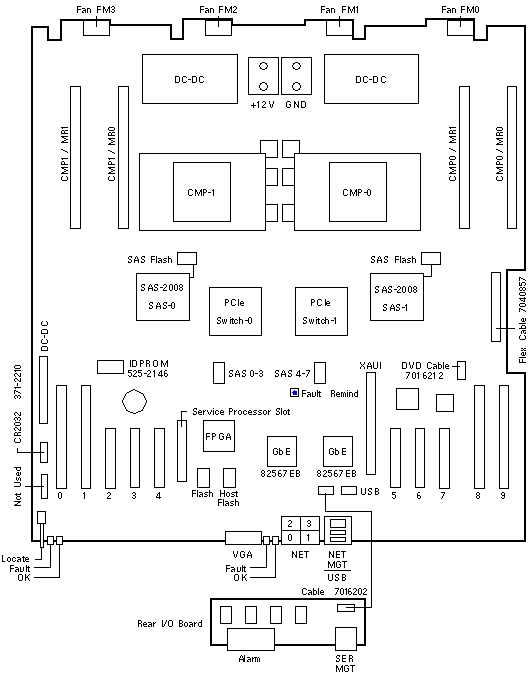
Netra SPARC T4-2 Codename: Lisbon

Notes

  1. The minimum OS is Solaris 10 10/09 with the complete Solaris 10 08/11 bundle.
  2. Two 341-6884 Busbar Fastener Plates attach the System Board to the PDB Busbars.
  3. SAS Cables are labeled SAS 0-3 and SAS 4-7 on the connector.
  4. System Boards 7026181 and 7056226 use I2C Comparators from Summit.
  5. System Board 7080887 uses I2C Comparators from Linear Technologies.
  6. System Board 7080887 requires minimum firmware 8.4.2.c.

UltraSPARC Notes

  1. Firmware 8.2.2.b is required to support UltraSPARC T4 Version 1.3.
  2. Firmware 8.2.2.b was added to system board 7056225 in January 2012. (E0013990)
  3. UltraSPARC T4 Version 1.3 was added to 7056226 in February 2012. (E0014264)

PCI Express Slot Notes

  1. PCI Express Slots 0, 1, 8, and 9 use x16 connectors that are electrically x8.
  2. PCI Express Slots 2, 3, 4, and 5 use x8 connectors that are electrically x8.
  3. PCI Express Slots 6 and 7 use x8 connectors that are electrically x4.
  4. PCI Express Slots 8 and 9 require full height backpanels.
  5. Install SGX-SAS6-R-INT-Z 6Gbps RAID HBA 375-3701 in Slot 5 only.

References

  1. Netra SPARC T4-2 Server Documentation

  Copyright © 2018 Oracle and/or its affiliates.  All rights reserved.
 Feedback