Sun Microsystems, Inc.   Oracle System Handbook - ISO 7.0 May 2018 Internal/Partner Edition
   Home | Current Systems | Former STK Products | EOL Systems | Components | General Info | Search | Feedback



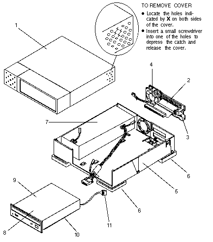
Desktop SunCD Plus Pack

557
SunCD Plus CD-ROM



Table Legend
[F] = Field Replaceable Unit (FRU)
NS = Not Shown

CODE PART # DESCRIPTION
1
1
540-1778
540-2431
Cover Assembly
Modified Cover Assembly for 557-KDK Option
2
3
4
NS
NS
540-1978 [F]
150-2049 [F]
540-2185
150-1174 [F]
340-2839
Fan/SCSI Connector/Address Select Assembly/FRU
Address Select Switch
Fan Assembly
2A Subminiature Fuse
Fan EMI Gasket
5
6
540-1773 [F]
330-1214
Base Assembly
Rubber Foot
7 300-1105 [F] 44 Watt Power Supply
8
9
10
11
NS
NS
540-2449
370-1573
340-1967 [F]
530-1825 [F]
240-1530 [F]
250-1194
CD-ROM Assembly for 557-KDK Option
Sony CDU-561 CD-ROM
Drive Bracket
Address Switch Cable, 0.10" Pin Spacing, 8.5"
M3 0.5 × 6mm Screw
Adhesive Backed RFI Strip, 140 mm
8
9
10
11
NS
540-2478
370-1584 [F]
340-1967 [F]
530-1825 [F]
240-1141 [F]
CD-ROM Assembly
Sony CDU-561 CD-ROM
Drive Bracket
Address Switch Cable, 0.10" Pin Spacing, 8.5"
#6-32 × 1/4" Screw
NS 150-1785 [F] External Active Terminator, HD50
NS 530-1793 [F] External SCSI Cable, HD50 to HD50, 80 cm
NS 530-1836 [F] External SCSI Cable, HD50 to HD50, 2.0M
NS 530-1852 [F] External SCSI Cable, HD50 to HD50, 4.0M
NS 800-4895 SunCD Plus Desktop Pack Installation Manual


  Copyright © 2018 Oracle and/or its affiliates.  All rights reserved.
 Feedback