Sun Microsystems, Inc.   Oracle System Handbook - ISO 7.0 May 2018 Internal/Partner Edition
   Home | Current Systems | Former STK Products | EOL Systems | Components | General Info | Search | Feedback



Desktop SunCD Pack

558 559
SunCD CD-ROM SunCD CD-ROM



Table Legend
[F] = Field Replaceable Unit (FRU)
NS = Not Shown

CODE PART # DESCRIPTION
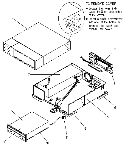
1 540-1778 Cover Assembly, Tape and CD-ROM
2
3
3
4
NS
NS
540-1978 [F]
150-1557 [F]
150-2049 [F]
540-1802 [F]
150-1174 [F]
340-2839
Fan/SCSI Connector/Address Select Assembly/FRU
Address Select Switch (obsolete)
Address Select Switch
Fan Assembly
2A Subminiature Fuse
Fan EMI Gasket
5
6
540-1773 [F]
330-1214
Base Assembly
Rubber Foot
7
7
7
300-1037
300-1090 [F]
300-1105 [F]
35 Watt Power Supply (obsolete) 1
35 Watt Power Supply (obsolete)
44 Watt Power Supply
8
9
10
11
11
NS
540-1931
370-1312 [F]
340-1967 [F]
530-1454
530-1825 [F]
240-1141 [F]
CD-ROM Assembly
Sony CDU-8012 CD-ROM
Drive Bracket
Address Select Switch Cable, 5.25"
Address Select Switch Cable, 8.5"
#6-32 × 1/4" Screw
NS 150-1346 [F] External Terminator, HD50
NS 150-1785 [F] External Active Terminator, HD50
NS 530-1434 [F] External SCSI Cable, HD50 to HD50, 45 cm
NS 530-1435 [F] External SCSI Cable, HD50 to DD-50SA, 2.0M
NS 530-1508 External SCSI Cable, HD50 to HD50, 80 cm
NS 530-1593 [F] External SCSI Cable, HD50 to DD-50SA, 1.0M
NS 530-1792 [F] External SCSI Cable, HD50 to DD-50SA, 2.0M
NS 530-1793 [F] External SCSI Cable, HD50 to HD50, 80 cm
NS 530-1829 [F] External SCSI Cable, HD50 to DD-50SA, 1.0M
NS 530-1836 [F] External SCSI Cable, HD50 to HD50, 2.0M
NS 530-1852 [F] External SCSI Cable, HD50 to HD50, 4.0M
NS
NS
555-1154
370-1316
Caddy 3-Pack
Caddy
NS 800-4895 Desktop Storage Pack Field Service Manual

  1. Power Supply 300-1037 does not have IEC950 or UL1950 approval.
    Do NOT install 300-1037 into options manufactured after March 1991.

  Copyright © 2018 Oracle and/or its affiliates.  All rights reserved.
 Feedback