Sun Microsystems, Inc.   Oracle System Handbook - ISO 7.0 May 2018 Internal/Partner Edition
   Home | Current Systems | Former STK Products | EOL Systems | Components | General Info | Search | Feedback

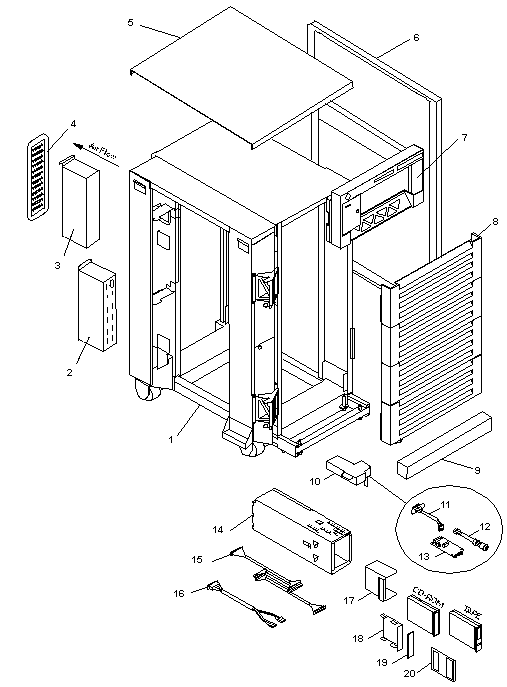
68-inch Data Center Cabinet

Servers: Enterprise 5500, 6500



Table Legend
[F] = Field Replaceable Unit (FRU)
NS = Not Shown

CODE MANUFACTURING
PART #
DESCRIPTION
1 540-3571 68-inch Data Center Cabinet Assembly
NS 340-4628 SCSI Tray Support Bracket
2 300-1403 [F] 230V AC Power Sequencer
3 540-2709 [F] Fan Tray Assembly
4 340-3267 Fan Tray Rear Cover
5 340-3352 Medium Grey Top Panel
6 340-3671 Medium Grey Side Panel
7
-
-
540-2746
330-1973
330-1983
Top Bezel Assembly
Clear Plastic Label Cover
Blank Filler Panel Insert
7
-
540-4087
540-4162
Top Bezel Assembly (replaced 540-2746)
Bezel Insert with Left/Right Doors
NS 330-1982 Filler Panel Insert with 4 Tape Drive Cutouts
NS 330-2379 Filler Panel Insert with 2 Tape Drive Cutouts
8 540-3554
540-4163
Door with 4 Vented Panels
Door with 4 Vented Panels (replaced 540-3554)
9 340-3355 Medium Grey Anti-Tilt Panel
10
11
12
13
370-2161 [F]
530-2148 [F]
530-2227
501-5329 [F]
Keyswitch and LED Assembly
PCB to Remote Keyswitch Cable
Keyswitch Cable
LED Board (replaced 501-2599)
14
14
15
16
17
NS
540-3577 [F]
340-4657
530-2528 [F]
530-2216 [F]
340-3264
370-3321
Peripheral Tray Assembly with Fan
Peripheral Tray
Internal SCSI Cable, 990 mm
DC Wire Harness
Mounting Bracket
92 mm Fan
18
19
20
340-3341
330-1939
340-3270
Filler Panel Bracket
Filler Panel
Peripheral Mounting Bracket
NS 330-2014 [F] Power Key
NS 340-5205 Front Power Sequencer Mounting Bracket
NS 340-4624 Hinged Rear Panel, Medium Grey

  Copyright © 2018 Oracle and/or its affiliates.  All rights reserved.
 Feedback