Oracle System Handbook
- ISO 7.0 May 2018 Internal/Partner Edition
Home
|
Current Systems
|
Former STK Products
|
EOL Systems
|
Components
|
General Info
|
Search
|
Feedback
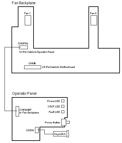
Fan Backplane and Operator Panel
Hmm, you are using a very old browser. Click here to go directly to included content.
541-3304
541-3306
Fan Backplane
CA20399-B12X
Operator Panel
CA20399-B13X
SPARC Enterprise M3000 Codename:
Ikkaku
References
SPARC Enterprise M3000 Server Documentation.
Copyright © 2018 Oracle and/or its affiliates. All rights reserved.
Feedback