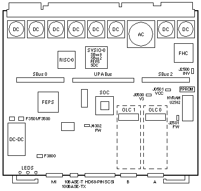
I/O Graphics Board
Option 2620
| 501-2749 |
I/O Type 2 83MHz Gigaplane |
 |
|
| Backpanel and Connectors |
 |
Jumper Settings
| JUMPER |
PINS |
SETTING |
DESCRIPTION |
FAB 270-2749 |
| J0500 |
1-2 |
In |
Unknown |
-01 -02 -03 -04 |
| J0501 |
1-2 |
In |
Unknown |
-01 -02 -03 -04 |
| J2500 |
1-2 |
Out |
Inv Adr 1 |
-01 -02 -03 -04 -05 -06 |
| J2501 |
1-2 |
In |
Unknown |
-01 -02 -03 -04 |
| J2503 |
1 2 3 |
* |
Unknown |
-01 -02 |
| J4302 |
1-2 1-2 |
In Out |
SOC Flash write enabled
SOC Flash write disabled |
-01 -02 -01 -02 |
|
|
* J2503 is not illustrated. The default jumper setting is unknown. |
Notes
- The minimum Ex000 operating system is 2.5.1.
- The minimum Ex500 OS is 2.5.1 HW: 11/97 or 2.6 HW: 3/98.
- The Gigaplane runs at the speed of the slowest detected board.
- I/O Graphics Board iPOST 3.4.1 is required to support FFB 501-3129.
- The message "status 'fail - Downrev AC'" is displayed when I/O Graphics
Board <501-2749-05 is installed. The message indicates that the
Address Controller is pre-FCS and lower than revision 4.
- The following cable types are supported:
50/125 Multimode Fiber up to 2 Kilometers
62.5/125 Multimode Fiber up to 500 meters
- Refer to the Install.info file of any Firmware patch for
information on firmware verification and compatibility.
FlashPROM Notes
- Use the Flash PROM Programming Utility to update the FCode.
- Use the prom-copy command (src dst prom-copy) to copy a flash PROM.
- ok 2 b prom-copy (copies from board 2 to board 11)
- Use the update-proms command to synchronize the latest version of
the flash PROM installed in the system to all boards of the same type.
NVRAM Notes
- The Clock Board and I/O Board NVRAMs are automatically synchronized when
the Clock Board NVRAM contents matches at least one I/O Board NVRAM.
- Use the following OBP command to manually synchronize a new or replacement
I/O Board to an existing Clock Board:
- ok copy-clock-tod-to-io-boards
- Use the following OBP command to manually synchronize a new or replacement
Clock Board to an existing I/O Board:
- ok (ioboard# in hex) copy-io-board-tod-to-clock-tod
References
Ultra Enterprise 3000 System Manual, 802-6051. Ultra Enterprise 4000/5000/6000 System Manual, 802-3845.
System Flash PROM Programming Guide, 802-5579.
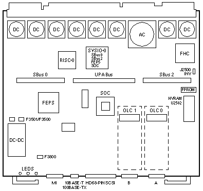
Option 2620
| 501-4288 |
I/O Type 2 83MHz Gigaplane |
 |
|
| Backpanel and Connectors |
 |
Jumper Settings
| JUMPER |
PINS |
SETTING |
DESCRIPTION |
| J2500 |
1-2 |
Out |
Inv Adr 1 |
| J4302 |
1-2 |
Out |
SOC flash write disabled |
Notes
- The minimum Ex000 operating system is 2.5.1.
- The minimum Ex500 OS is 2.5.1 HW: 11/97 or 2.6 HW: 3/98.
- The Gigaplane runs at the speed of the slowest detected board.
- I/O Graphics Board iPOST 3.4.1 is required to support FFB 501-3129.
- The following cable types are supported:
50/125 Multimode Fiber up to 2 Kilometers
62.5/125 Multimode Fiber up to 500 meters
- Refer to the Install.info file of any Firmware patch for
information on firmware verification and compatibility.
FlashPROM Notes
- Use the Flash PROM Programming Utility to update the FCode.
- Use the prom-copy command (src dst prom-copy) to copy a flash PROM.
- ok 2 b prom-copy (copies from board 2 to board 11)
- Use the update-proms command to synchronize the latest version of
the flash PROM installed in the system to all boards of the same type.
NVRAM Notes
- The Clock Board and I/O Board NVRAMs are automatically synchronized when
the Clock Board NVRAM contents matches at least one I/O Board NVRAM.
- Use the following OBP command to manually synchronize a new or replacement
I/O Board to an existing Clock Board:
- ok copy-clock-tod-to-io-boards
- Use the following OBP command to manually synchronize a new or replacement
Clock Board to an existing I/O Board:
- ok (ioboard# in hex) copy-io-board-tod-to-clock-tod
References
Ultra Enterprise 3000 System Manual, 802-6051. Ultra Enterprise 4000/5000/6000 System Manual, 802-3845.
System Flash PROM Programming Guide, 802-5579.
|