Sun Microsystems, Inc.   Oracle System Handbook - ISO 7.0 May 2018 Internal/Partner Edition
   Home | Current Systems | Former STK Products | EOL Systems | Components | General Info | Search | Feedback

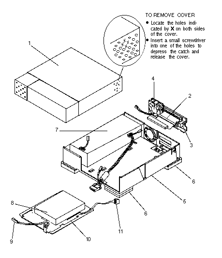
Desktop Disk Pack

552
207MB Disk



Table Legend
[F] = Field Replaceable Unit (FRU)
NS = Not Shown

CODE PART # DESCRIPTION
1 540-1777 Disk Drive Cover Assembly
2
3
3
4
NS
NS
540-1978 [F]
150-1557 [F]
150-2049 [F]
540-1802 [F]
150-1174 [F]
340-2839
Fan/SCSI Connector/Address Select Assembly
Address Select Switch (obsolete)
Address Select Switch
Fan Assembly
2A Subminiature Fuse
Fan EMI Gasket
5
6
540-1773 [F]
330-1214
Base Assembly
Rubber Foot
7 300-1090 [F] 35 Watt Power Supply (obsolete) 1
7 300-1105 [F] 44 Watt Power Supply 1
8 370-1417 [F] 207MB Disk Drive, Conner CP30200
9 530-1522 [F] Power Indicator LED Cable
10 340-1966 [F] Disk Drive Bracket 2
11 530-1894 [F] Address Select Switch Cable, 2 mm Pin Spacing 3
NS 240-1141 [F] #6-32 × 1/4"Disk Drive Mounting Screw
NS 150-1785 [F] Single-Ended Active Terminator, HD50
NS 530-1792 [F] External SCSI Cable, HD50 to DD-50SA, 2.0M
NS 530-1793 [F] External SCSI Cable, HD50 to HD50, 80 cm
NS 530-1829 [F] External SCSI Cable, HD50 to DD-50SA, 1.0M
NS 530-1836 [F] External SCSI Cable, HD50 to HD50, 2.0M
NS 530-1852 [F] External SCSI Cable, HD50 to HD50, 4.0M
NS 800-4895 Desktop Storage Pack Field Service Manual

  1. The 370-1417 Disk Drive is not compatible with Power Supplies 300-1090-01 or 300-1037-xx. Use 300-1090-02 or 300-1105.
  2. Disk Drive 370-1417 requires Mounting Bracket 340-1966-04.
  3. Disk Drive 370-1417 is not compatible with Unit Select Switch Cables 530-1454 or 530-1825.

  Copyright © 2018 Oracle and/or its affiliates.  All rights reserved.
 Feedback