Sun Microsystems, Inc.   Oracle System Handbook - ISO 7.0 May 2018 Internal/Partner Edition
   Home | Current Systems | Former STK Products | EOL Systems | Components | General Info | Search | Feedback

Desktop Disk Pack

580 545 567 737
535MB Disk
5400 RPM
1.05GB Disk
5400 RPM
2.1GB Disk
5400 RPM
2.1GB Disk
7200 RPM



Table Legend
[F] = Field Replaceable Unit (FRU)
NS = Not Shown

CODE PART # DESCRIPTION
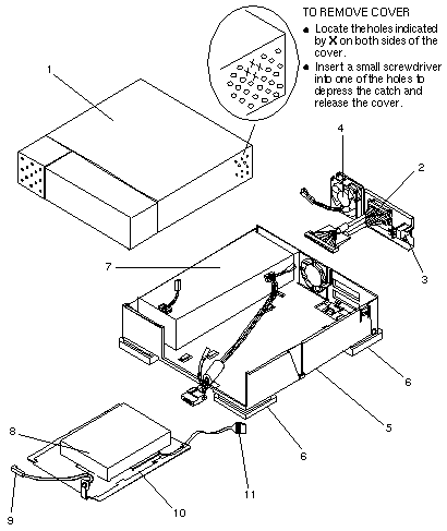
1 540-1777 Disk Drive Cover Assembly
2
NS
540-1978 [F]
150-1174 [F]
Fan/SCSI Connector/Address Select Assy (obs) 1
2A Subminiature Fuse
2
3
4
NS
NS
540-2470 [F]
150-2049 [F]
540-2185
340-2839
530-1844 [F]
Fan/SCSI Cable/Address Select Assembly
Address Select Switch
Fan Assembly
Fan EMI Gasket
Internal SCSI Cable, 300 mm
5
6
540-1773 [F]
330-1214
Base Assembly
Rubber Foot
7 300-1105 [F] 44 Watt Power Supply
8 370-1424 [F]
370-1424 [F]
370-1668
370-1843 [F]
370-1546 [F]
370-1710 [F]
370-1963 [F]
370-1709 [F]
370-1929
370-2070 [F]
370-1957
370-2067 [F]
535MB Disk Drive, Seagate ST3610N
535MB Disk Drive, Connor CP30540
535MB Disk Drive, Connor CP30540
535MB Disk Drive, Seagate ST5660N
1.05GB Disk Drive, 1.5", Seagate ST11200N
1.05GB Disk Drive, 1.0" Seagate ST31200N
1.05GB Disk Drive, 1.0" Conner CFP1080S
2.1GB 5400 RPM Disk Drive, Seagate ST12400N
2.1GB 5400 RPM Disk Drive, Conner CFP2105S
2.1GB 5400 RPM Disk Drive, Seagate ST32430N
2.1GB 7200 RPM Disk Drive, IBM DFHS-32160-S2F
2.1GB 7200 RPM Disk Drive, Seagate ST32550N
9 530-1522 [F] Power Indicator LED Cable
10 340-1966 [F] Disk Drive Bracket
11 530-1894 [F] Address Select Switch Cable, 2 mm Pin Spacing
NS 150-1785 [F] Single-Ended Active Terminator, HD50
NS 530-1793 [F] External SCSI Cable, HD50 to HD50, 80 cm
NS 530-1836 [F] External SCSI Cable, HD50 to HD50, 2.0M
NS 530-1852 [F] External SCSI Cable, HD50 to HD50, 4.0M
NS 800-4895 Desktop Storage Pack Field Service Manual

  1. Assembly 540-2470 replaced 540-1978 in May 1993. Assembly 540-1978 was not used in Options 580, 567, or 737.

  Copyright © 2018 Oracle and/or its affiliates.  All rights reserved.
 Feedback