Sun Microsystems, Inc.   Oracle System Handbook - ISO 7.0 May 2018 Internal/Partner Edition
   Home | Current Systems | Former STK Products | EOL Systems | Components | General Info | Search | Feedback

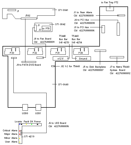
DC Power Distribution Board

Telco: Netra T5440

371-3648 371-3841 371-3842 540-7621 371-4219
Power Distribution Board
PATA DVD
411769900016
DVD Board
PATA DVD
411769900021
Fan Board
411769900056
DVD/Fan Board FRU
371-3841 + 371-3842
DVD Tray + Cage
LED Board FRU
Cable 422769900016
LED Board 411764100048


Netra T5440 Codename: Congo

Netra T5440 Notes

  1. Cables are not assigned Sun part numbers.
  2. LED Assembly 371-4219 includes cable 422769900016 to J6.
  3. Kit 530-3999 includes the cables to J1, J2, J4, J5,and J8.
  4. Kit 530-4000 includes cable 422769900012 to J7 and SAS Cable 422769900005.

References

  1. Netra T5440 Installation Manual, 820-4442.
  2. Netra T5440 Service Manual, 820-4445.
  3. Netra T5440 Product Notes, 820-4447.



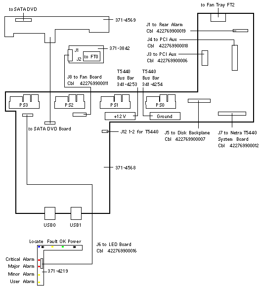
DC Power Distribution Board

Telco: Netra T5440

371-4568 371-4569 371-3842 540-7989 371-4219
Power Distribution Board
SATA DVD
411769900103
DVD Board
SATA DVD
411769900109
Fan Board
411769900056
DVD/Fan Board FRU
371-4569 + 371-3842
DVD Tray + Cage
LED Board FRU
Cable 422769900016
LED Board 411764100048


Netra T5440 Codename: Congo

Netra T5440 Notes

  1. Cables are not assigned Sun part numbers.
  2. LED Assembly 371-4219 includes cable 422769900016 to J6.
  3. Kit 530-3999 includes the cables to J1, J2, J4, J5,and J8.
  4. Kit 530-4000 includes cable 422769900012 to J7 and SAS Cable 422769900005.

References

  1. Netra T5440 Installation Manual, 820-4442.
  2. Netra T5440 Service Manual, 820-4445.
  3. Netra T5440 Product Notes, 820-4447.

  Copyright © 2018 Oracle and/or its affiliates.  All rights reserved.
 Feedback