Oracle System Handbook
- ISO 7.0 May 2018 Internal/Partner Edition
Home
|
Current Systems
|
Former STK Products
|
EOL Systems
|
Components
|
General Info
|
Search
|
Feedback
ATL 100 Watt Power Supply
Hmm, you are using a very old browser. Click here to go directly to included content.
Other supported platforms:
Tape Libraries:
ETL 4/1000, 4/1800, 7/3500
300-1339
Volgen MRE-244R2U
AC Input Power Supply
Rear View
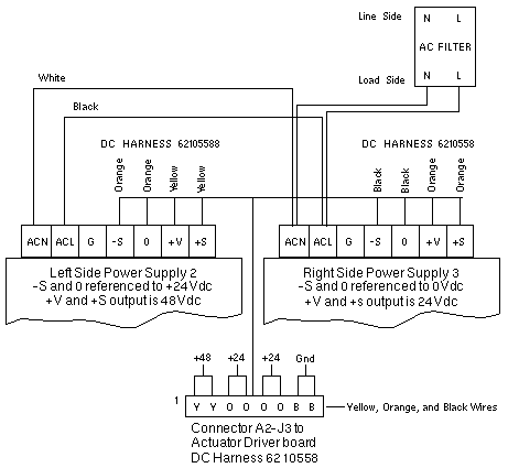
Wiring Diagram ETL 4/1000/1800
DC Output
+24V
4.2A
Copyright © 2018 Oracle and/or its affiliates. All rights reserved.
Feedback