Sun Microsystems, Inc.   Oracle System Handbook - ISO 7.0 May 2018 Internal/Partner Edition
   Home | Current Systems | Former STK Products | EOL Systems | Components | General Info | Search | Feedback



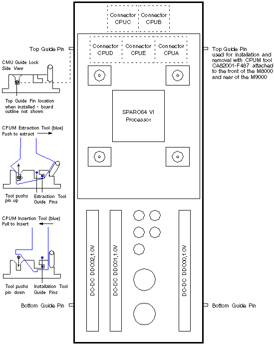
CPU Module

371-2215 371-2216
2.28GHz
5MB Cache
2.4GHz
6MB Cache


Notes

  1. The packing slip describes the 2.28GHz processor as 2.27GHz.
  2. CPUM Insertion/Extraction Tool CA82001-F48 does not have a Sun part number.
  3. The CMU Guide lock is easily damaged. It does not have a Sun part number.

References

  1. SPARC Enterprise M8000/M9000 Server Documentation.
  2. Refer to M8000/M9000 Hardware Documentation for Product Notes for different XCP versions.



CPU Module

375-3580
2.52GHz
6MB Cache


Notes

  1. The packing slip describes 375-3580 as CA06620-D044,DC-CPUM_P,2.52G,6.
  2. CPUM Insertion/Extraction Tool CA82001-F48 does not have a Sun part number.
  3. The CMU Guide lock is easily damaged. It does not have a Sun part number.

References

  1. SPARC Enterprise M8000/M9000 Server Documentation.
  2. Refer to M8000/M9000 Hardware Documentation for Product Notes for different XCP versions.



CPU Module

371-4929
3.00GHz
12MB Cache


Notes

  1. The packing slip describes 371-4929 as CA06620-D061 C0, CPUM J++, 3GHZ.
  2. CPUM Insertion/Extraction Tool CA82001-F48 does not have a Sun part number.
  3. The CMU Guide lock is easily damaged. It does not have a Sun part number.

References

  1. SPARC Enterprise M8000/M9000 Server Documentation.
  2. Refer to M8000/M9000 Hardware Documentation for Product Notes for different XCP versions.

  Copyright © 2018 Oracle and/or its affiliates.  All rights reserved.
 Feedback