Sun Microsystems, Inc.   Oracle System Handbook - ISO 7.0 May 2018 Internal/Partner Edition
   Home | Current Systems | Former STK Products | EOL Systems | Components | General Info | Search | Feedback

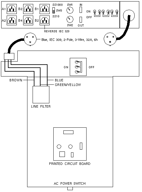
240V AC Power Sequencer

Option 964

300-1217
Sherwood Enterprises

Note

Any conversion to the Stacking Unit, including replacement of the AC Power Plug or AC Power Sequencer, voids all safety agency approvals.

  Copyright © 2018 Oracle and/or its affiliates.  All rights reserved.
 Feedback